Warto opowiedzieć o inicjatywie, która wyszła ze strony Miasta - zawieszenie budek lęgowych dla ptaków. Zawiesiliśmy łącznie 104 budki lęgowe, w tym 70 typu A, 30 typu A1 i 4 E. Mniejsze typy ptasich domków możecie znaleźć na terenie 4 białostockich parków: Park Stary, Centralny, Planty oraz Antoniuk. Budki puszczykowe znajdziecie na Plantach i w Parku Zwierzynieckim.
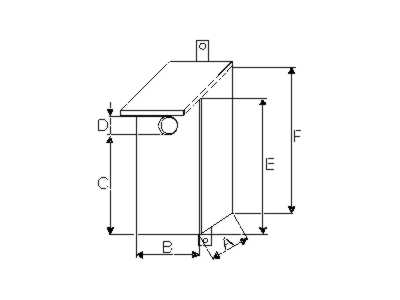
A teraz co oznaczają tajemnicze symbole? Poniżej możecie zobaczyć jakimi wymiarami różnią się poszczególne typy i z myślą o jakich gatunkach zostały przygotowane. I kilka słów wyjaśnień. Bardzo duże znacznie ma głębokość budki, odpowiednio wysoko umieszczony otwór wlotowy chroni lęg przed drapieżnikami, a podwójna ścianka przednia zabezpiecza konstrukcje przed ciekawskim dzięciołem.
Znaczenie ma także sposób rozwieszenia budek, te same typy powinny znajdować się w odległości co najmniej 25 merów od siebie. Wysokość zawieszenia zależy od typu, przykładowo budki sikorkowe powinny wisieć co najmniej 3 metry nad ziemią. Dopiero prawidłowo skonstruowana i zawieszona budka może być interesująca i przede wszystkich bezpieczna dla ptaków.
Typ Gatunki A B C D E F
A sikora bogatka, mazurek, wróbel, 110 110 220 33 280 300
muchołówka żałobna, sikora modra,
pleszka, rzadziej sikora sosnówka
i czubatka
A1 sikora modra, muchołówka żałobna, 110 110 220 28 280 300
rzadziej sikora sosnówka, czubatka.
E puszczyk 250 250 500 150 700 800
(wymiary w mm)
Są więc pewne zasady konstrukcji budek o których warto pamiętać, ale tak naprawdę konstrukcja to za duże słowo. Serdecznie zachęcam do samodzielnego przygotowania budki (korzystając z naszych rad), a przekonacie się, że podglądanie ptasiej rodziny w wykonanej własnoręcznie budce to podwójna frajda.
Wszystkich serdecznie zachęcamy do spacerów po parkach i zaglądania co się dzieje w budkach. W obecnym sezonie mamy jeszcze szanse na muchołówki, drugi lęg bogatki czy modraszki, dopiero następna wiosna pokaże czy budki cieszą się zainteresowaniem naszych ptasich mieszczuchów.
